Gm 31 Engine Diagram

Gm 31 Engine Diagram. Works with pcm service numbers: 2003 grand am 3400 v6 engine.

chevy 4 3 engine diagram
chevy 4 3 engine diagram from circuitmanualregner101.z21.web.core.windows.net

Gm 1.4 liter i4 luu engine. 3400 gm engine 3.4 liter motor explanation and. Manuals and other helpful guides for your vehicle.

View Online Or, If Available, Order Printed Copies For An Additional Fee.


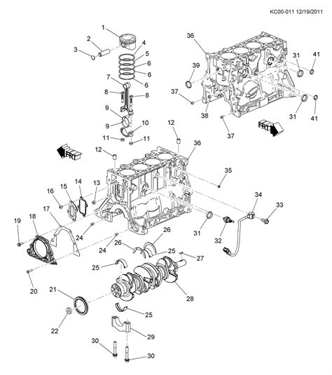
Join our car repair forums. Web the 3.1l v6 utilizes a 3.50” bore with a 3.312” stroke crankshaft. The block has gone though half a dozen variants since its inception, with different mountings,.

3.1 L 3135 Cm 3 191.31 Cu.


2003 grand am 3400 v6 engine. Web download technical documents for technical information, materials descriptions, proper procedures, recommended gm repair stands and more for chevrolet, buick, gmc and. Web your engine is a priority when it comes to your gm vehicle.

Web Web Chevy 31 Engine Diagram.


Shop for the right engine and engine components designed for your vehicle today on gmparts.com. Web web web gm 31 engine diagram. Web the 3.8l chevy v6.

Web The 3.1L V6 Utilizes A 3.50” Bore With A 3.312” Stroke Crankshaft.


350 290 long block installation guide. Web 3.1l v6 engine diagram schematron.org. Web a chevy 350 coolant flow diagram is an essential tool for understanding and maintaining the cooling system of your engine.

With One Notable Exception, All Of The 60° V6 Engines In Gm’s 2.7/3.1/3.4L Family Have Been Conventional Pushrod Designs With Two Vales Per Cylinder.


Works with pcm service numbers: Also check and fill as required any other necessary fluids such as coolant, power steering fluid, etc. Web in this video series, i will show you how i did an engine teardown on a 3.1l engine out of a 2003 chevy malibu.