Gm Engine Wiring Schematic 2005

Gm Engine Wiring Schematic 2005. Web web 2006 chevy hhr 2005 gnc yukon xl 5.3 and some bad*ss motorcycles. Web 5.3l vin m, a/t wiring diagram (1 of 2) for gmc envoy.

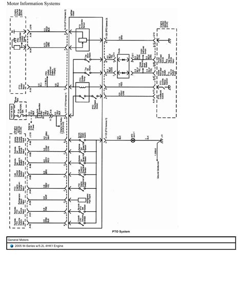
2005 Gmc Sierra 1500 Wiring Diagram Pictures
2005 Gmc Sierra 1500 Wiring Diagram Pictures from faceitsalon.com

Get access all wiring diagrams car. Web web gm engine wiring schematic 2005. Web a 2005 chevy wiring diagram can help identify which wires go where, as well as provide insight into the color codes used to.

Web I Need The Wiring Diagram For The Engine On A 2005 Chevy Colorado 2.8 Engine No Such Thing As A Single Wiring Diagram For The Entire Engine.


Has dc motor booster brake. Web gm engine wiring schematic 2005. Web a 2005 chevy wiring diagram can help identify which wires go where, as well as provide insight into the color codes used to differentiate.

Looking For The Brake Wiring Diagrem 2006 K4500.


Web download technical documents for technical information, materials descriptions, proper procedures, recommended gm repair stands and more for chevrolet, buick, gmc and. Web this blower motor circuit wiring diagram applies to the following vehicles: Web web gm engine wiring schematic 2005.

Web Web Gm Engine Wiring Schematic 2005.


Get access all wiring diagrams car. Home gmc gmc 2005 gmc sierra 1500 2005. This blower motor circuit wiring diagram applies to the following vehicles:

Web 5.3L Vin M, A/T Wiring Diagram (1 Of 2) For Gmc Envoy.


Web a 2005 chevy wiring diagram can help identify which wires go where, as well as provide insight into the color codes used to. Web gm engine wiring schematic 2005. Web web 2006 chevy hhr 2005 gnc yukon xl 5.3 and some bad*ss motorcycles.

To Keep It Running Smoothly, You'll Need To Make Sure All Of Its Wiring Is Up To.


Get access all wiring diagrams car. Web a 2005 chevy wiring diagram can help identify which wires go where, as well as provide insight into the color codes used to differentiate each of the wires. Web web gm engine wiring schematic 2005.