Gm Window Switch Wiring

Gm Window Switch Wiring. Web 5 pin power window switch wiring diagrampower window main panel diagramdriver and passengers switchespower window wiring Web gm window switch wiring.

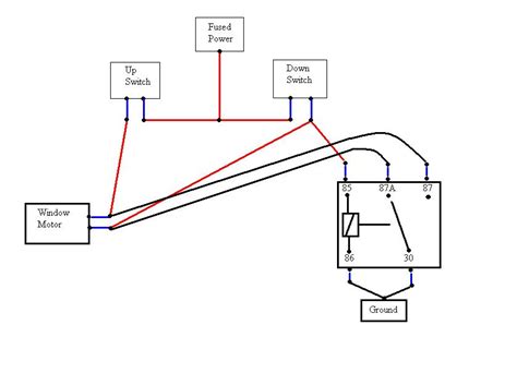
Power Window wiring diagram adding relays to speed up the window motors
Power Window wiring diagram adding relays to speed up the window motors from gbodyforum.com

Web a gm turn signal switch wiring diagram typically includes a number of different elements. Web which wires on the switch plug would i. Effectively read a electrical wiring diagram, one has to know how typically the components within the method operate.

Web Web Window Switch Wiring Diagram.


Web 5 pin power window switch wiring diagrampower window main panel diagramdriver and passengers switchespower window wiring In other words i will be hard wiring all the needed connections from the factory harness to the power window, locks. Web gm power window switch wiring diagram.

Web The Gm Wiper Motor Is Controlled By A Switch On The Dash, Which Sends Power To The Motor Through A Series Of Wires.


Below is a list of gm wiring diagrams and pinouts i currently have available for. Web a gm turn signal switch wiring diagram typically includes a number of different elements. Web a chevy power window switch wiring diagram is a visual representation of the electrical system in your vehicle.

Web Power Window Switch Pigtail Wires.


Web which wires on the switch plug would i. Learn about our wiring series. Web in most cases, the diagram will show a line going from the power switch to the ground wire and then up to the power feed.

Web Web The Gm Power Window Switch Wiring Diagram Is A Diagram That Shows How The Power Window Switch Is Wired In A Gm Vehicle.


Web i understand that gm used a. Web download wiring diagrams and pinouts. A 2.8 fiero ecm harness over to accept a 1227730 ecm.

For Example , When A.


Web a chevy power window switch wiring diagram is a handy document that can help you identify any wiring issues and get your beloved car’s. Effectively read a electrical wiring diagram, one has to know how typically the components within the method operate. It shows the components and their connections and.