Gmc Blazer Wiring Schematic

Gmc Blazer Wiring Schematic. All diagrams include the complete basic truck (interior and exterior lights, engine bay,. Diagram wiring for 1989 chevy s10.

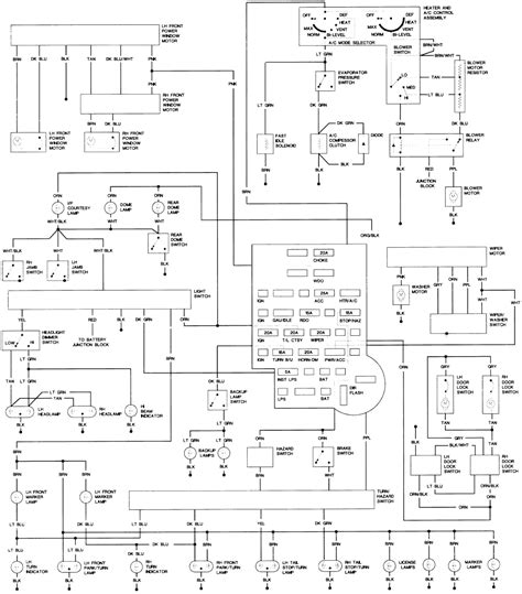
87 K5 Blazer Wiring Diagram Wiring Diagram
87 K5 Blazer Wiring Diagram Wiring Diagram from wiringdiagram.2bitboer.com

Web blue harness coming into vehicle from drivers. Web 62 wiring diagram the 1947 present chevrolet gmc truck message board network. X 17 in., laminate 19205 parts at.

Web Chevy And Gmc Truck Diagrams Are Different, Usually In The Exterior Light And Dash Sections.


The schematic measures 8.5 x 11 when folded up, and opens up to 11 by 38. Get access all wiring diagrams car. Web chevrolet blazer/gmc jimmy 1996 wiring diagram.

Web 1976 Camaro Engine Forward Light Wiring Schematic.


The separate wiring manual for each model. Web from 1995 to 2005 or so the chevy blazer has not changed much. You may need to locate a specific color wire and its exact location.

Although The Schematic Is In Black And White, The.


Web 96 gmc jimmy ls ret. Get access all wiring diagrams car. And locate & identify circuits, relays, and grounds.

Web 62 Wiring Diagram The 1947 Present Chevrolet Gmc Truck Message Board Network.


Gmc car pdf manual wiring diagram fault codes dtc. Web click on the image here to pull up a. We've got wiring harnesses, ignitions, switches, horns, battery boxes and more.

1999 Chevrolet Blazer Wiring Diagram Squier Fender 51 Precision For Schematics.


1976 camaro engine forward light wiring schematic. Engines (non diesel), 11 in. Web this is the original wiring diagram printed by gm for dealer mechanics.