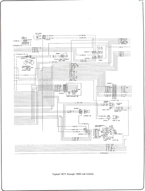
Gmc Motor Wiring

Gmc Motor Wiring. If you run into an electrical problem with your gmc, you may want to take a moment and check a few things out for yourself. The motor itself has two wires coming out of it:

2013 Gmc Sierra 3500 6.6l V8 Diesal Wiring Diagram
2013 Gmc Sierra 3500 6.6l V8 Diesal Wiring Diagram from diagramweb.net

Auxiliary blower control — long wheelbase w/c69 only(c). Web 4.3l (vin w), engine performance wiring diagrams (2 of 4) for gmc jimmy 1998. Web the 1990 gmc sierra was one of the most reliable vehicles ever released by general motors.

It Had A Powerful Engine, Sturdy Frame, And A Comfortable Ride.


A/c compressor controls(c) (2005) fig. Web 4.3l (vin w), engine performance wiring diagrams (2 of 4) for gmc jimmy 1998. If you run into an electrical problem with your gmc, you may want to take a moment and check a few things out for yourself.

Starter Motor Circuit Diagram (2003 V8 Chevrolet Express, Gmc Savana).


The motor itself has two wires coming out of it: Web the stepper outputs are 4 hi/lo side drivers capable of controlling devices with a high (12v) or low (0v) signal with up to 1a of current. Get access all wiring diagrams car.

Web Related Wiring Diagrams:


Web the 3 wire wiper motor wiring is a type of electrical wiring that is used to control the operation of an electric window washer and to connect to the vehicle’s electrical system. Links to forum posts will appear in a new. Web wiring harnesses, wiring harness clips, and obsolete parts for classic chevy trucks and gmc trucks from classic parts of america.

Web The Gm Wiper Motor Is Controlled By A Switch On The Dash, Which Sends Power To The Motor Through A Series Of Wires.


Before you dive in with a multi. We thinks what prospects think, the urgency of urgency to act. Web already had a big day planned, the big road test for the 72 revcon project was already planned but equally important first thing i wanted to go over our wiring mod.

Web Wiring Diagrams › Gmc.


Web i have a 1973 23ft gmc motorhome and i'm trying to figure out the wiring. Web the 1990 gmc sierra was one of the most reliable vehicles ever released by general motors. The driver can then move the ignition key to the “run” position to.