Golf Tdi Engine Diagram

Golf Tdi Engine Diagram. A clear and straightforward engine wiring diagram 8v digifant i vw vortex volkswagen forum. Radio head unit wiring harness plugs pigtails 01 05 vw jetta golf.

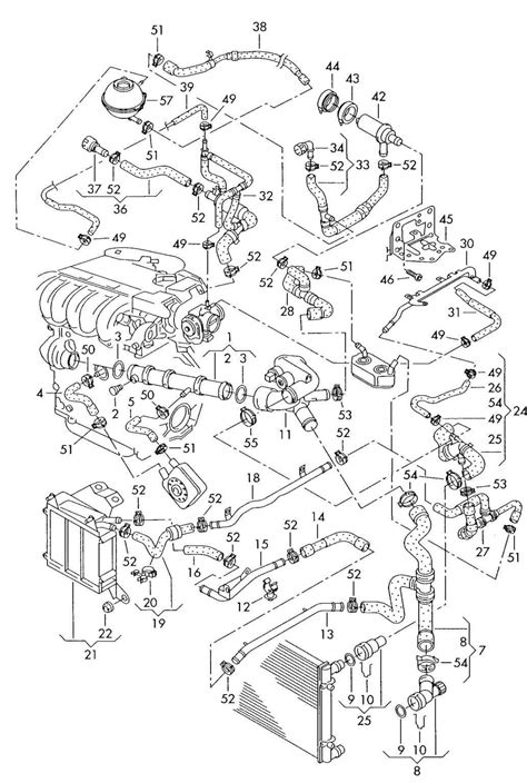
+26 Vw Golf Tdi Engine Diagram 2022
+26 Vw Golf Tdi Engine Diagram 2022 from blog.criatecnologia.com.br

Club car ds electric models. Get access all wiring diagrams car. 0 ratings 0% found this document useful (0 votes) 308 views.

Really Just Looking For The Front Currently (Everything Around Timing Belt.etc).


There are also a lot of. Web vw golf engine bay overview 2.0 tdi diesel.just a quick look at the most important parts of the engine bay on a vw golf mark 6 2.0 tdi 6 speed with air con.h. Web tdi 200 golf, 1974 westfalia tdi oct 13, 2013 #1.

Web Timing Belt Spanner Wrench.


This electrical wiring manual has been prepared to help inspection and service works involving electric wiring of the following model be done efficiently. A clear and straightforward engine wiring diagram 8v digifant i vw vortex volkswagen forum. Radio head unit wiring harness plugs pigtails 01 05 vw jetta golf.

Web This Animation Explains How The Vw Range Of Tdi Diesel Engines Works.


Web popular 2014 beetle accessories. The single most intimidating task of the tdi swap was the wiring, and almost made me. Web vw golf mk4 2002 starting issues tdi forum audi porsche and chevy cruze sel.

Web These Differences Are Important When Troubleshooting Your Cart.


Web the 2.0 tdi engine belongs to the ea188 family. Fakra to iso antenna adapter. Phil,” covers all used vehicles, packing this guide with insider tips to help the consumer make the safest and cheapest choice possible from.

The Cylinder Block Is Made Of.


Get access all wiring diagrams car. Web vw 9a engine wiring diagram vwmaster 4.9k views • 2 slides d4ga engine viktor 17.7k views • 59 slides 2006 toyota hiace oem electrical wiring diagrams dardoorasm 5.7k views • 292 slides It has proper section bookmarks and can be searched with a pdf viewer find tool.