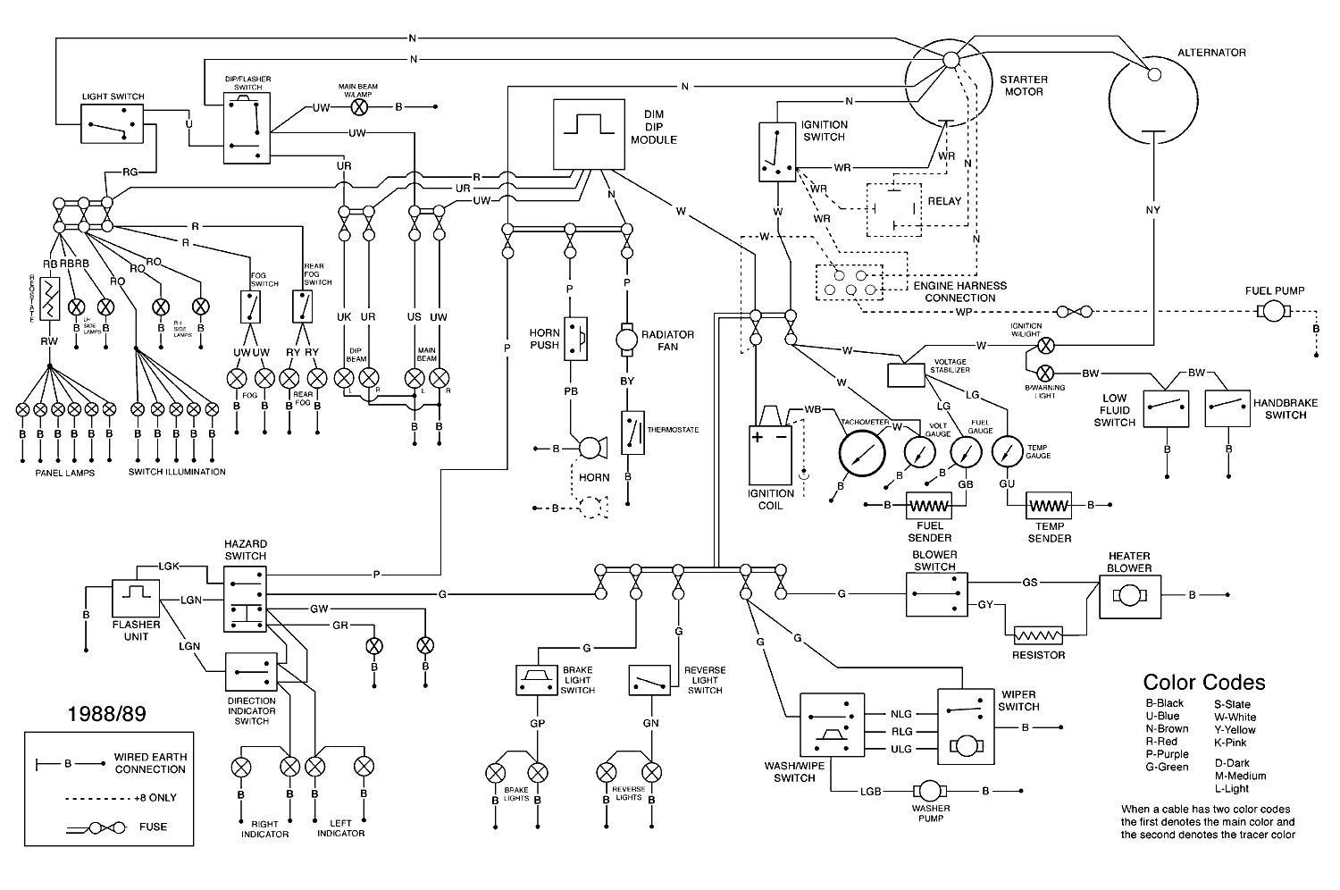
Groundcar Wiring Diagram Page 4

Groundcar Wiring Diagram Page 4. Highlight the individual circuit using a different color for positive and negative. Web web 2010 volkswagen golf stereo wiring harness 2006 volkswagen golf stereo wiring harness 2005 volkswagen golf stereo wiring harness 2004 volkswagen golf stereo.

Race Car Wiring Setup Wiring Diagram Detailed Basic Race Car Wiring
Race Car Wiring Setup Wiring Diagram Detailed Basic Race Car Wiring from 2020cadillac.com

Understanding the components of a wiring diagram, as well as how to. Web groundcar wiring diagram page 4; Web the ground wire is usually located near the battery.

Web Groundcar Wiring Diagram Page 4;


Ground fault wiring diagrams are essential for a functioning electrical system. Web r4 connection 1, in interior light/door contact switch wiring harness. Understanding the components of a wiring diagram, as well as how to.

Web Groundcar Wiring Diagram Page 4 Groundcar Wiring Diagram Page 4.


Web web grid plus grid plus extends our wiring device choices even further. Web 30 luxury ls1 starter wiring diagram from lightwiring.blogspot.com. 2 x 4 ohm speaker = 8 ohm load;

Web Voltage Is The Height Of.


Web groundcar wiring diagram page 4; Web web 2010 volkswagen golf stereo wiring harness 2006 volkswagen golf stereo wiring harness 2005 volkswagen golf stereo wiring harness 2004 volkswagen golf stereo. Wiring harness/engine (lx0/cat 3116) for gmc.

Web Understanding Ls1 Conversion Wiring Diagrams Can Be A Challenging Task, But It Is Also An Essential.


Web web the existing wiring mostly matches the wiring in the diagram shown below, just with the bridge and neck pickups swapped. Web the volkswagen golf 4 is a reliable and popular compact. Web i think the op has 4 grid switches (2 x 2 gang).

To Read It, Identify The Circuit In Question And Starting At Its.


Web web gmc c7500 2006 generator engine parts fullsize mounting diagram gm. Web groundcar wiring diagram page 4; Web a wiring diagram is a simple visual representation of an electrical system's or circuit's physical connections and layout.