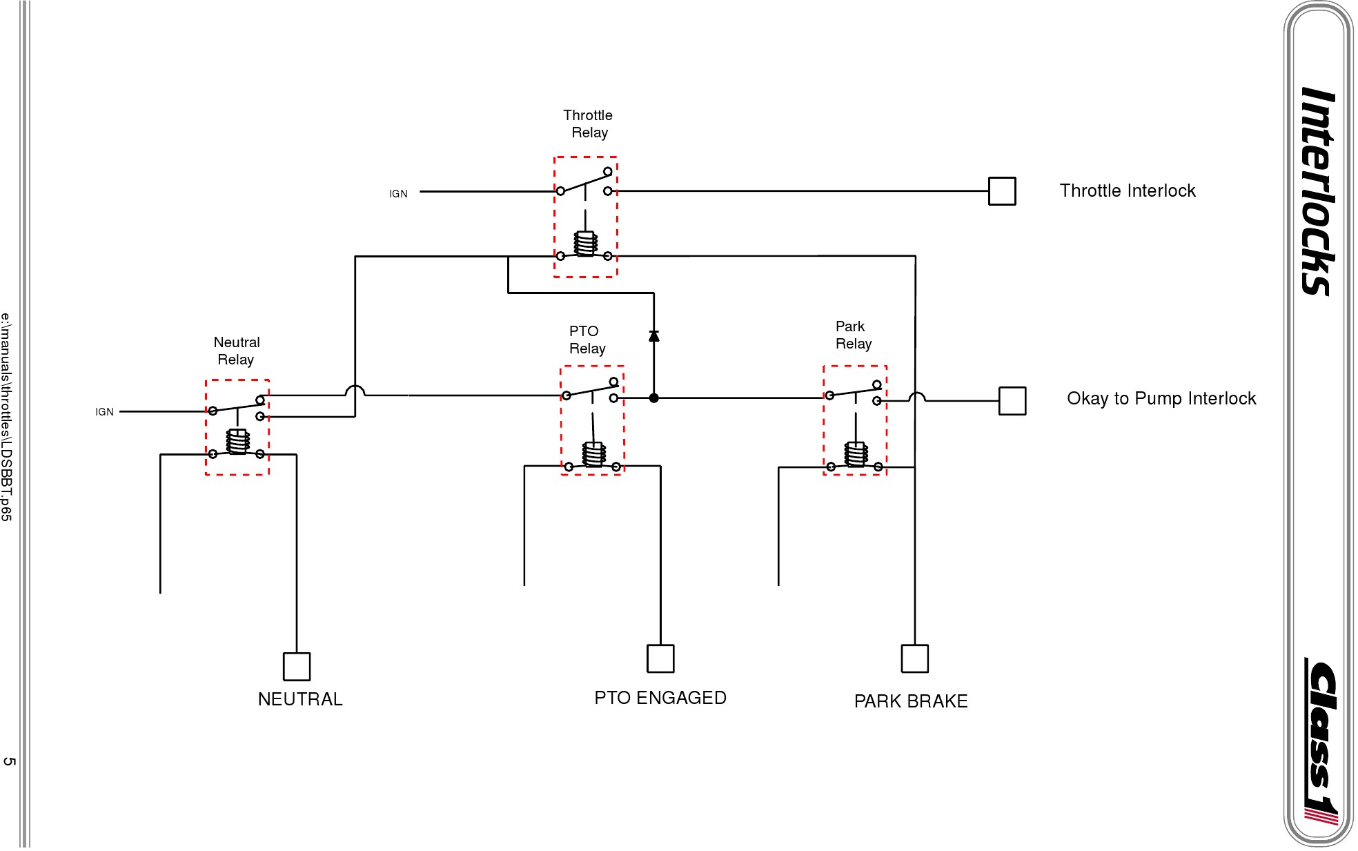
Guardian Interlock Wiring Diagram

Guardian Interlock Wiring Diagram. Occasionally in newer vehicles, they are located under the hood. Wiring the following diagrams show.

Schematic and Guide DB
Schematic and Guide DB from wirediagramthiel99.z19.web.core.windows.net

For proper installation, you must have a shop manual or wiring diagram for the specific. After installation, reconnect the vehicle battery. If you are in any doubt share at parts@itscnc.com keywords:.

Web Guardian Lift Interlock Part Number:


Web typical wiring diagrams for push button control stations. Web the guardian 2030 is an alcohol ignition interlock system used for offender programs throughout australia and is designed to prevent the driver from operating the vehicle if. Led red flashing or steady:

A Wiring Diagram Is An Easy Visual Representation With The Physical Connections And.


An ignition interlock is a device. Safety interlock switch wiring diagram wiring diagram from. Web installation instructions for products 2012 and newer.

Web How To Interlock Your Generator With A Wiring Diagramthe Safety And Efficiency Of Your Generator Can Greatly Be Improved With The Use Of A Generator.


Web guardian interlock wiring diagram. Web guardian interlock wiring diagram. Web web guardian interlock wiring diagram.

Occasionally In Newer Vehicles, They Are Located Under The Hood.


Web an ignition interlock is a device. Web web in this video, we will learn how to interlock two acbs electrically using u/v release, shunt release & closing coil. Omtechguide » electrical control panel,electrical.

Wiring The Following Diagrams Show.


For proper installation, you must have a shop manual or wiring diagram for the specific. Web download electrical / ce interlocks wiring diagram manual, read through this diagram pdf to ensure proper use. If you are in any doubt share at parts@itscnc.com keywords:.