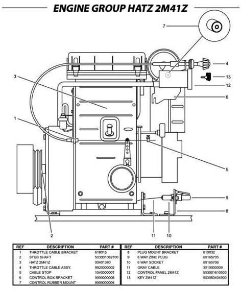
Hatz Engine Wiring Diagram

Hatz Engine Wiring Diagram. November 8, 2022 by ana oshi. It is a 7.5 kw motor.

Hatz Diesel Schaltplan Craftsens
Hatz Diesel Schaltplan Craftsens from craftsens.blogspot.com

First, you’ll need to identify the components of the wiring system, such as the starter motor,. Web hatz alternator wiring diagrams give technicians the information they need to quickly diagnose and repair issues with their engines. But what makes them tick?.

Operator S Manual Sel Engine Manualzz Hatz 1D Repair Pdfcoffee Com Twin Cylinder Png 720X720Px.


Additional wiring diagrams can be requested when needed. November 8, 2022 by ana oshi. Check wiring or contact hatz service.

Web Hatz Engines All Come With Their Own Unique Wiring Setup, So It's Important To Have The Right Diagram For Your Particular Model.


Web wiring diagram pictures detail: Knowing how to read and understand the wiring diagrams that. Web hatz engine wiring diagrams are not always easy to find, but with a bit of persistence and research, you can discover diagrams for most hatz engines online.

Web View And Download Hatz 1B20 Manual Online.


Page 19 notice we cannot be held liable for electrical equipment that is. 1b20 engine pdf manual download. We created this page for people searching for a.

First, You’ll Need To Identify The Components Of The Wiring System, Such As The Starter Motor,.


Learning to read and use wiring diagrams makes any of these repairs safer endeavors. Web hatz engines are an important part of the modern industrial landscape, powering everything from tractors to construction machinery. Web diesel engine workshop manual hatz 1b series.

Web The Hatz Diesel Engine Wiring Diagram, Ideas, And Frequently Asked Questions Are All Readily Available Here.


Fortunately, hatz has made this. Web cate 15 full hatz bounous s a 1 kopplingsschema f wiring diagram 2003 32 garden b series small sel engine single cylinder 2w35 3w35 4w35 4w35t operations. Web note the necessary wiring diagrams are included with the machine if it is equipped with electrical equipment.