Hhr Engine Compartment Diagram

Hhr Engine Compartment Diagram. Relays & modules, engine compartment, 60 amp. 6.2l without supercharger, 1st design.

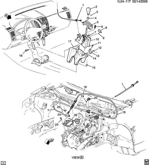
Interior Part Name? Chevy HHR Network
Interior Part Name? Chevy HHR Network from www.chevyhhr.net

Web floor console fuse box diagram. Engine compartment fuse block diagram. Web the red motor was one of holden s best six cylinder engines and here why carsguide oversteer.

Web Outlet Power Seat Cool Fan, 2006 Chevy Hhr Wiring Diagram Mar 30 2019 This Amazing Photo Selections About 2006 Chevy.


Web chevrolet hhr 2008 fuse box. Chevrolet hhr car and truck. Web 2.4l vin b, engine performance wiring diagram (3 of 4) for chevrolet hhr ls 2006.

Web Chevrolet Hhr (2010) Fuse Box Diagram.


The panel has four clips,. Jonathan yarden oct 06, 2021 · 5 min. * chevrolet hhr fuse box diagrams.

6.2L Without Supercharger, 1St Design.


Passenger compartment fuse box location: Measures the amount of air entering the engine so the ecm. The interior fuse box is located on the.

Floor Console Fuse Block Diagram.


Chevrolet hhr 2008 fuse box info. Web 2006 hhr engine diagram from wiringgg99.z21.web.core.windows.net. Relays & modules, engine compartment, 60 amp.

The Underhood Fuse Block Is Located On.


Helps seal and keep oil. The floor console fuse block is located on the passenger’s side of the floor console behind the forward panel. Web get access all wiring diagrams car.