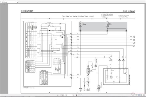
Highlander Wiring Diagram

Highlander Wiring Diagram. Web 2004 highlander wiring diagrams manual. Free 2006 toyota 4runner wiring.

Toyota Highlander Wiring Diagram quecamollymahoney
Toyota Highlander Wiring Diagram quecamollymahoney from quecamollymahoney.blogspot.com

[*] the pages were originally scanned at 2400 x 2400 dpi @ 24 bit depth, yielding an image size of 19584 x 25051. Rated 5.00 out of 5 based on 8 customer ratings. Get access all wiring diagrams car.

[*] The Pages Were Originally Scanned At 2400 X 2400 Dpi @ 24 Bit Depth, Yielding An Image Size Of 19584 X 25051.


Free 2006 toyota 4runner wiring. Web download service and workshop repair manual with the wiring diagrams for toyota highlander in a simple pdf file format. Web for example, the toyota highlander diagrams will use a symbol to indicate a ground wire.

Web Amckie · #2 · Mar 17, 2021.


There is plenty of pressure in. Once you know the typical symbols, it's much easier to make sense of the. Get access all wiring diagrams car.

Installing A New Radio Or Audio System Into Any Vehicle Can Be A Daunting Task, Especially.


General & europe production date: Web covering schematics * troubleshooting * relay locations * routing * flow charts * system circuits * ground points * connector part numbers * overall wiring. Web 2004 highlander wiring diagrams manual.

This Is The Original Oem Workshop Electrical.


2016 toyota highlander 3.5 wiring diagrams zipped in pdf format. Web 2005 highlander 2wd 3.3l wiring diagram. Rated 5.00 out of 5 based on 8 customer ratings.

Web Toyota Highlander / Kluger (Em3164E, Em3165E) Wiring Diagram.


This is the original oem workshop electrical manual for. I need a wiring diagram (preferred) or a schematic to troubleshoot my a/c system. Web air conditioning 2.4l 2.4l, manual a/c wiring diagram (1 of 2) for toyota highlander 2001 2.4l, manual a/c wiring diagram (2 of 2) for toyota.