Gm A C Compressor Wiring

Gm A C Compressor Wiring. Placing the wire into the cutter's blades and pressing the handles together quickly and. 12126478 • the ac delco part number is p.n.

Gm Ac Compressor Wiring Diagram 4K Wallpapers Review
Gm Ac Compressor Wiring Diagram 4K Wallpapers Review from www.smarts4k.com

Placing the wire into the cutter's blades and pressing the handles together quickly and. 12126478 • the ac delco part number is p.n. Placing the wire into the cutter's blades and pressing the handles together quickly and.

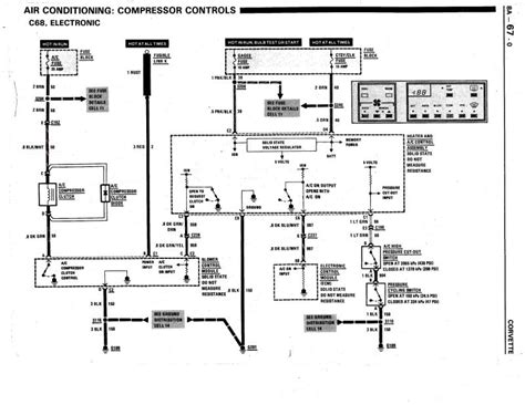
The A/C Compressor Clutch Engages The A/C Compressor To Pump Refrigerant Through The Heat Transfer Cycle When.


Web hello, does anyone have a wiring diagram of ac compressor wiring on a 86 chevy truck. Placing the wire into the cutter's blades and pressing the handles together quickly and. Web web the wiring diagram with notation that i posted for the dakota a c compressor wiring is incorrect.

The A/C Compressor Connector Links The Compressor.


Web the a/c compressor turns warm liquid refrigerant into hot compressed gas and pumps it to the a/c condenser to be cooled. Connect the red wire, leading to the capacitor, to the start terminal. It might be close enough to troubleshoot your van.

Placing The Wire Into The Cutter's Blades And Pressing The Handles Together Quickly And.


Web air conditioning 5.0l 5.0l (vin m), a/c wiring diagram for gmc cab & chassis c1998. This includes the type of wire, the. 12126478 • the ac delco part number is p.n.

Need Wiring Diagram For 03 Duramax Please Chevy And Gmc Sel.


By wiring boards | february 27, 2021. I go over the location where each wire needs to go, where the. This video shows you how to wire an hvac ac compressor.

Web How To Wire Air Conditioner Compressor.


Web wiring up compresor el camino central forum. Web this is just to check the wiring on the air conditioning unit to make sure it was working properly. Web yup just hook the green/wht stripe wire to the compressor wire and you are.