Gm Tail Light Wiring

Gm Tail Light Wiring. Web solved 94 gmc 1500 brake light wire cut at rear harness 1988 1998 pickup ifixit. On some switches, wire terminal #4 is omitted.

How To Add Resistors For Led Tail Lights Chevy Colorado & Gmc Canyon
How To Add Resistors For Led Tail Lights Chevy Colorado & Gmc Canyon from annawiringdiagram.com

All pick up in store. There was a grommet in the floor only. So, to distinguish between the two, the turn signal was made blue.

Each Wire Connects To A Different Function.


Web next, the light green wire should be attached to your park lights. Instead, the terminal beside wire #5 becomes the. On some switches, wire terminal #4 is omitted.

Web Solved 94 Gmc 1500 Brake Light Wire Cut At Rear Harness 1988 1998 Pickup Ifixit.


So, to distinguish between the two, the turn signal was made blue. Web the turn signal is the blue wire because in old cars, the brake and tail lights were both red. Web the main components of the tail lights on your gmc vehicle include the tail lamps, the brake lamps, a turn signal switch, a rear stop lamp, the emergency flashers,.

Web 55Wagoncrazy · #6 · Feb 6, 2018.


Vehicle info required to guarantee. Web order back up lights, reverse light bulbs, full tail light assemblies, wiring harnesses, switches, sockets, light circuit boards, and more from our extensive online catalog. The rest was just wire and every so often a pc of cloth friction tape was used to keep the 2.

Although On Some Switches, This Step Is Omitted.


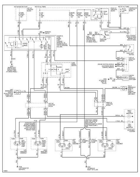
Web with a gmc tail light wiring diagram, you can quickly identify the wires responsible for powering the rear lights and then repair them. Tail light wiring diagram 2014 2018 silverado sierra. There was a grommet in the floor only.

The Terminal Next To #5 (Shown Dashed) Will Become The Park Light Output.


Web the gmc tail light wiring diagram is composed of various symbols and numbers that represent the different components in the electrical system. Web see all products details. Web the chevy express tail light wiring diagram is essential for anyone who wants to make sure their tail lights are functioning properly.